|
|
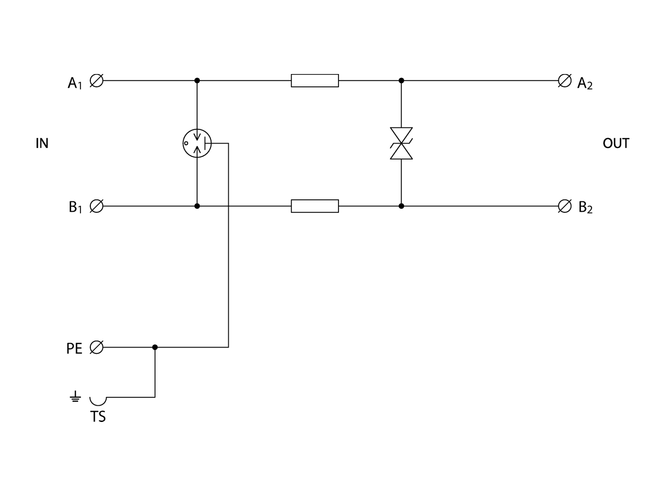
JDG-48V/1-SL
|
|
SPD according to EN
61643-11 / IEC 61643-11
|
C2, C3
|
|
Nominal
voltage UN
|
48 V DC
|
|
Maximum
continuous operating voltage UC
|
36 V AC
|
|
Maximum
continuous operating voltage UC
|
51 V DC
|
|
Nominal
discharge current 8/20 μs In
|
5 kA
|
|
Maximum
discharge current 8/20 μs Imax
|
10 kA
|
|
Voltage
protection level L-L at In UP
|
80 V
|
|
Voltage
protection level L-PE at In UP
|
350 V
|
|
Voltage
protection level L-L at 1 kV/μs UP
|
65 V
|
|
Voltage
protection level L-PE at 1 kV/μs UP
|
500 V
|
|
Response
time L-L tA
|
1 ns
|
|
Response
time L-PE tA
|
100 ns
|
|
Impedance
R
|
1.6 Ω
|
|
Frequency
|
5 MHz
|
|
|
|
|
Cross section solid
|
0.08 mm² – 4.00 mm²
|
|
Cross section flexible
|
0.08 mm² – 2.50 mm²
|
|
Temperature
|
-40 °C ... +70 °C
|
|
Degree of protection
|
IP 20
|
|
|
|